公司地址:襄阳市樊城区春园西路贾洼工业园 邮箱:xfycdq@163.com

来源:公众号概述:液体电阻起动器源创YRQ系列更多详细内容请访问源创官网1概述YRQ系列液体电阻起动器是为改善大中型绕线式交流异步电动机的起动性能而研制的新型起动器,它是通过在电机转子回路串入液体电阻,自动无级调整电阻阻值使其由大变小最后为零,进而实现电机降压无冲击地平滑起动。适用于建材、冶金等行业的球磨机、风机、轧机、破碎机、水泵等70-6000KW电动机的重载起
来源:微博概述:进相器工作原理图
来源:公众号概述:建党百年辉煌路,启航时代新征程!2021年7月1日,是中国共产党成立100周年纪念日。从1921年—2021年,这是信仰创造传奇的一百年:一百年,党带领人民点燃信仰之光!一百年,正是我党风华正茂,朝着新征程高歌猛进之序章!百年征途波澜壮阔,百年初心历久弥坚。从播下革命火种的小小红船,到领航复兴伟业的巍巍巨轮,在百年奋斗历程中,我们党领导人民取得了举世瞩目的辉煌成就,书写了波澜壮阔的历史画卷,留下了
来源:微博概述:水阻柜工作原理
来源:公众号概述:软启动许多企业意识空压机能源消耗巨大,为了节约企业的生产成本,减低能源消耗,都开始着手于对空压机等高能耗设备进行节能改造。你有没有听过软启动空压机节能改造?今天小编带大家看看究竟什么是软启动?软启动器源创电气软启动器的主要分类1、按电压:高压软启动器、低压软启动器;2、按介质:固态软启动器、液阻软启动器;3、按控制原理:电子式软启动器、电磁式软启动器;4、按运行方式:在线型软启动器、旁路型软启动器
来源:微博概述:软启动器常见故障及解决
来源:公众号概述:高压固态软起动的控制核心是微处理器CPU。这个微处理控制系统可以对电机进行起动和保护。CPU对SCR进行相角触发控制以降低加在电机上的电压,然后通过慢慢的控制加在电机上的电压和电流平滑的增加电机转矩,直到电机加速到全速运行。这种起动方式可以降低电机的起动冲击电流,减少对电网和电机自身的冲击。同时也减少了对联在电机上机械负载装置的机械冲击,以延长设备的使用寿命,减少故障和停机检修时间
来源:微博概述:Ⅰ、异步电动机及变压器的空载无功功率补偿(也称'随机补偿'、'随器补偿')1、补偿原理1)电动机空载无功功率补偿就是当单台电动机在7.5kW及以上时,以电动机的空载无功功率为基数,乘以适当补偿系数进行电容量的配置,实行就地补偿。这种补偿方式是将电容器安装在电动机旁,电容器与电动机直接采用一套控制和保护装置或接在控制断路器或磁力启动器的下桩头和电动机一起投切。2)变压
发布时间:2022-04-18
浏览量:0
发布人:源创大白
水阻柜在工矿企业是常见的设备,不管是风机、水泵、空压机,还是球磨机、破碎机、轧钢机等,水阻柜都以它独特地启动效果相伴设备之旁,较高的性价比受到用户的亲赖。新买的水阻柜一般由厂家提供调试服务,源创电气售出的水阻柜、进相器及其他设备还会对用户提供技术培训,以便维修电工能掌握基本原理及维护,那么水阻柜调试的关键任务就是配好阻值,因为它直接关系到水阻柜的启动效果,那么怎样确定水阻柜阻值呢?
水阻柜阻值
确定水阻柜的阻值首先要找到电机的参数,然后根据电机的参数计算水阻柜的阻值。下面我们看一个电机型号参数:

把上面的数据代入公式R0=(U2e/I2e)(1/n-1/m)M
式中:U2e:电机转子回路的开路电压(V),I2e:电机转子回路的额定电流(A),m:直接起动电流倍数,n:带液阻起动电流倍数,M:起动转矩,根据以上数据来计算出水阻柜的阻值为0.94欧。

时间久了都是任何设备工作一段时间都需要维护,水阻柜也一样,工作久了由于液体挥发需要补水,工作一年以上都需要重新配置阻值。如其他启动设备一样,水阻柜的工作原理也是降压启动。
水阻柜阻值配制
(1) 先将动极板置于起动位置(即上限位置),将准备好的水注入到水箱规定位置的2/3左右,注意三格液位要基本相等;
(2) 称一定数量电解粉(电解粉称取量参照附表达式);
(3) 先向盆或桶等容器内倒入备好的水,水不超过容器容积2/3,取所称电液粉1/3慢慢倒入容器内并不停搅拌至电液粉完全溶解,然后倒入电阻箱的一相中,部分溶解不了的块状物加热水溶解,此后若仍有少量不溶物,可弃之不用。如电液粉太多而容器容积太小可分几次溶解;
(4) 重复步骤(3)将电液粉溶入其它两相中;
(5) 分别向液阻箱内加水至要求液位(液位大约离电阻箱上盖板60mm);
(6) 扳动试验按钮,使极板上下运动二、三次,使箱内电阻液搅拌均匀;
(7) 用干净的布擦净电阻箱外的水渍。
(8) 液体电阻的测量

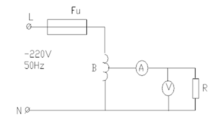
将液体电阻的活动极板移动位置后,通过自耦变压器给每相动静极板之间通以50HZ电,电流从0开始逐渐增大至5A左右电流I(A),记下电流表A的读数,并测量两极之间压降V(V),测液体电阻值为:R(Ω)=V(V)/I(A)测量电路如下:

图中,FU:熔断器2A A:交流电流表5A,0.5级;B:调压器5KVA;V:交流电压表0.5级,测得的R值应接近R0计算值,允许有5%的误差。
(9) 电阻的调整如偏大应增大电阻液浓度,否则应降低其浓度,调节方法是用软管抽出部分溶液加水或电液粉。
注:(1)测电阻时动极板一定在上限位,且转子线路与电阻箱断开;
(2)电阻液应搅拌均匀后再测;
(3)调压器相线、零线不可接反。
(不想等待可点击按钮通过QQ进行沟通,或直接电联。)
关闭