公司地址:襄阳市樊城区春园西路贾洼工业园 邮箱:xfycdq@163.com

TIME:2021-09-02概述:水电阻的基本原理:靠溶解在水中的电解质(Na2CO3)离子导电,电解质充满于两个平面极板之间,构成一个电容状的导电体,自身无感性元件,故与频敏、电抗器等起动设备相比,有提高电动机的功率因数,节能降耗的功能。水电阻串入电动机定子回路以后,不仅能改变电动机的转差率S,达到调速的目的,还能增加电动机起动时的转矩,减小起动电流。具有平滑无级调速,并可使
TIME:2021-09-02概述:水阻,顾名思义,即水电阻(又被称为液阻柜)。此技术最早发源于日本,在1985年上半年被引进到中国,在当今大容量电机上得到广泛的应用,现阶段比较适合中国的国情。由于电动机直接起动时,起动电流会达到电机额定电流的7~8倍,一般上一级变压器的容量都承受不了,特别是大功率的电机,必须加装起动设备,否则会造成变压器局部下跳闸。早先的起动设备,主要有:电阻
TIME:2021-08-26概述:水电组的优点1、大中型绕线异步电动机进行无级调速,调速比可达2:1;2、用作电动机启动,具备启动电流小,启动平稳等优点;3、与变频调速,可控硅串级调速相比,更经济可靠实用,且维护简单。水电阻的缺点1、通过调节极板距离改变电阻,精度和灵敏度低;2、需要经常加水;3、环境温度变化对启动特性有影响,一般需要加装空调。
TIME:2021-09-30概述:各单位、各部门:根据上级有关文件精神,结合我公司实际情况,现将2021年国庆节放假相关事宜通知如下:一、放假时间10月1日至7日放假调休,共7天。9月26日(星期日)、10月9日(星期六)上班。二、各生产小组需确保正常完成生产任务和约定发货,可根据各自情况自行安排放假时间。三、节日期间,需注意以下事项:1、公司各单位要妥善安排各自的工作任务,在节前组织一次
TIME:2021-08-09概述:水阻起动柜是近年来运用比较广泛的电机起动设备。水阻,也就是液体电阻(在水中添加电解粉构成水电阻),顾名思义就是在电机定子回路(鼠笼型电机)或转子回路(绕线式电机)中串入液态电阻,电机在起动过程中液态电阻阻值在预定的时间内自动无级减小,直至阻值接近为零,将液阻自动切除,电机投入正常运行,每小时最多可以启动2-3次。水阻柜运行过程:高压开关柜
发布时间:2021-08-06
浏览量:0
发布人:源创大白
水阻柜适用于建材、冶金、化工、矿山等工业部门的球磨机、空压机、破碎机、大型风机、大型水泵的电软起动,是频敏起动器和金属电阻起动器的理想替代产品。其结构简单,可靠性强,而且经济实用,维护性强。水阻柜的作用是使电机起动过程平滑软起动.
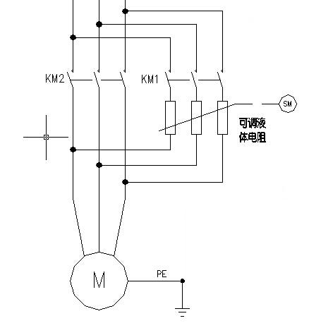
水阻柜启动原理图

鼠笼式电机水阻柜工作原理
水阻柜是在电机定子回路中串可变液体电阻的一种降压起动方式,即随着主电动机的起动,装置自动改变液体电阻动、定极之间的间距,使电阻线性均匀减小,电动机端电压均匀提高的一种起动方式;水阻柜内部主要包括3个独立的水箱,三相电分别通入每一个水箱,水箱底部有一固定的铜极板,水箱上部有一可上下移动的铜极板,分别引出进出一次线。以极板升降改变阻值,其柜内部主要包括:水箱(三相分开),一套极板,极板升降电机和传动丝杆、轴承及短接接触器、PLC等。水箱体积主要根据电机大小,计算需要的散热液体体积,因此柜体体积有大有小。如图1,SM时三个水箱做成的水电阻,起动时KM1吸合,起动完毕后KM2短接,KM1脱开,起动过程结束。
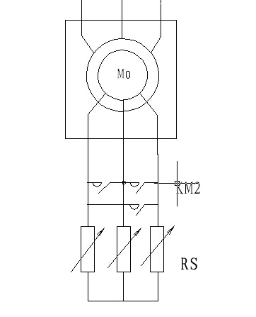
绕线式电机水阻柜工作原理
这类水阻柜主要适用于绕线式电机,大家知道绕线式电机起动电流小,起动转矩大,主要用于拖动重负荷,比如球磨机、破碎机、重型机床等。这类软启动器近年来主要是水阻软启动器。
这种水阻水阻柜与上面提到的水阻水阻柜工作原理一样,只是它串入在电机的转子回路,而不是定子。水阻柜内部有些不一样,由于转子回路需要一直短接,刚开始起动时是在水阻柜内的水电阻后端短接成星形,起动完毕后是靠接触器在水电阻前端短接成星形。如图2.RS是水电阻,起动完毕后KM2来短接转子。
对于绕线式异步电动机来说,当电网电压及频率不变时,在转子回路中串入随电动机转速增加而相应减小的起动电阻后,一方面可以减小起动电流,另一方面又可以始终获得较大的起动转矩。水阻柜就是利用这一原理来起动的,以特种介质的水溶液作为电阻,在特殊设计的液阻箱中引入极板作电极将电阻星型连接后串入电机转子回路中,起动器接到电机起动信号时,由一小功率伺服电机带动极板移动来改变极板的相对位置,使(串入转子回路的)液体电阻由大到小作无极变化,当电阻变化到小时,短接接触器闭合,使电机转子星点直接短接,从而使电机低电流大转矩平滑起动。
(不想等待可点击按钮通过QQ进行沟通,或直接电联。)
关闭